Zuerst erklärt Jacob Fattakhov von Texas Instruments in seinem kurzen Fachartikel, warum eine genaue Messung der Batteriespannung bei Elektrofahrzeugen wichtig ist und wie dies üblicherweise unter Verwendung eines Widerstandsteilers auf Basis von in Reihe geschalteten Widerständen implementiert wird.
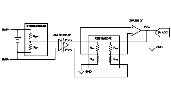
Anschließend widmet sich der Autor in einem Abschnitt den Nachteilen einer Implementierung des Spannungsteilers mit diskreten Bauteilen und im Anschluss daran den Vorteilen einer Implementierung mit integrierten Bausteinen wie dem RES60A-Q1 im SOIC-Gehäuse mit großen Luft- und Kriechstrecken gemäß IEC-61010 PD 2.
Abschließend geht Fattakhov noch kurz auf die Möglichkeit des Einsatzes eines Verstärkers mit differenziellen Ausgängen ein, die es ermöglichen, einen größeren Abstand zwischen Low- und High-Voltage-Komponenten einzuplanen, um die Störsicherheit der Schaltung zu erhöhen. (jr)
