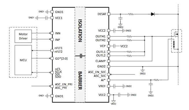
Der Baustein UCC5880-Q1 von Texas Instruments ist ein einkanaliger, isolierter Gate-Treiber für die Ansteuerung von SiC-MOSFETs und IGBTs mit hoher Leistung.
Die Ansteuerungsstärke lässt sich zwischen 5 und maximal 20 A in Echtzeit programmieren. Dadurch können Entwickler die Systemeffizienz um bis zu 2 % verbessern und so die Reichweite eines Elektrofahrzeugs pro Batterieladung um bis zu 7 Meilen vergrößern, hat das Unternehmen errechnet.
Die Isolationsspannung (Viso) beträgt 5.000 Vrms.
Der Baustein verfügt über Schutzfunktionen für Leistungstransistoren wie Überstrom auf Shunt-Widerstandsbasis, Übertemperatur (PTC, NTC oder Diode) und Desatuierungserkennung (DESAT).
Um den Platzbedarf auf der Leiterplatte weiter zu reduzieren, ist eine aktive Miller-Klemme und einen aktiven Gate-Pull-Down in dem 10,5×7,5 mm großen SSOP-Gehäuse integriert.
Ein ebenfalls integrierte 10-Bit-ADC ermöglicht die Überwachung von bis zu 2 Analogeingängen. Diagnose- und Erkennungsfunktionen sind an Bord, um das Design von ASIL-konformen Systemen zu vereinfachen. Die Parameter und Schwellenwerte für diese Funktionen sind über SPI konfigurierbar, so dass der Baustein mit nahezu jedem SiC-MOSFET oder IGBT verwendet werden kann. Der Baustein ist in Vorproduktionsmengen wie auch ein getestetes Referenzdesign ab sofort erhältlich. (jr)
